一、流變學基礎知識
(一)、流變學基本概念
1.1 流變學研究的內容
流變學 —Rheology ,來源于希臘的 Rheos=Sream (流動)詞語,是 Bingham 和Crawford 為了表示液體的流動和固體的變形現象而提出來的概念。流變學主要是研究物質的流動和變形的一門科學。
流動是液體和氣體的主要性質之一,流動的難易程度與流體本身的粘性(viscosity)有關,因此流動也可視為一種非可逆性變形過程。變形是固體的主要性質之一,對某一物體外加壓力時,其內部各部分的形狀和體積發生變化,即所謂的變形。對固體施加外力,固體內部存在一種與外力相對抗的內力使固體保持原狀。此時在單位面積上存在的內力稱為內應力(stress)。對于外部應力而產生的固體的變形,當去除其應力時恢復原狀的性質稱為彈性(elasticity)。把這種可逆性變形稱為彈性變形(elastic deformation),而非可逆性變形稱為塑形變形(plastic deformation)。
實際上,多數物質對外力表現為彈性和粘性雙重特性,我們稱之為粘彈性,具有這種特性的物質我們稱之為粘彈性物質。
1.2 剪切應力與剪切速度
觀察河道中流水,水流方向一致,但水流速度不同,中心處的水流最快,越靠近河岸的水流越慢。因此在流速不太快時可以將流動著的液體視為由若干互相平行移動的液層所組成的,液層之間沒有物質交換,這種流動方式叫層流,如圖 1。由于各層的速度不同,便形成速度梯度 dv/dh,或稱剪切速率。流動較慢的液層阻滯著流動較快液層的運動,使各液層間產生相對運動的外力叫剪切力,在單位液層面積(A)上所需施加的這種力稱為剪切應力,簡稱剪切力(Shear Stress),單位為 N·m-2,即 Pa,以 τ 表示。剪切速度(Shear Rate),單位為 s-1,以表示。剪切速率與剪切應力是表征體系流變性質的兩個基本參數。
1.3 粘度
粘度是反應物質流動時內摩擦大小的物理量;根據測量方法的不同,粘度通常有多種表示方法,比如我們最常用的動力學粘度和運動粘度,以及一些特定的相對粘度測定方法,如流杯、稠度計、恩氏粘度等等。
1.4 流體的分類
根據流動和變形形式不同,將流體物質分為牛頓流體和非牛頓流體。牛頓流體遵循牛頓流動法則,非牛頓流體不遵循該法則。
1.4.1. 牛頓流體
實驗證明,純液體和多數低分子溶液在層流條件下的剪切應力 τ 與剪切速率成正比,下式為牛頓粘性定律(Newtonian equation),遵循該法則的液體為牛頓流體(Newtonian fluid)。
t =η × F/A 或 t = η × y´ (1)
式中,F:A 面積上施加的力;η:粘度(viscosity)或粘度系數(viscosity coefficient),是表示流體粘性的物理常數。SI 單位中粘度用 Pas 表示;常用單位還有 mPas、P(泊)、cP(厘泊),其中 1P=0.1Pas,1cP=1mPas。根據公式可知牛頓液體的剪切速率與剪切應力 τ 之間關系,如圖 2 所示,呈直線關系,且直線經過原點。這時直線的斜率表示粘度,粘度與剪切速度無關,而且是可逆過程,只要溫度一定,粘度就一定。

1.4.2 非牛頓流動
實際上大多數液體不符合牛頓定律,如高分子溶液、膠體溶液、乳劑、混懸劑、軟膏以及固-液的不均勻體系的流動均不遵循牛頓定律,因此稱之為非牛頓流體(non-Newtonian fluid),此種物質的流動現象稱為非牛頓流動(non-Newtonian flow)。對于非牛頓流體可以用旋轉粘度計測定其粘度,對其剪切應力 τ 隨剪切速率的變化作圖可得,如圖 3 和圖 4 中所示的流動曲線(flow curve)或粘度曲線(viscosity curve)。根據非牛頓流體流動曲線的類型把非牛頓流動分為塑性流動、假塑性流動和脹性流動三種。
1.4.2.1 塑性流動
塑性流動(plastic flow)的流動曲線如圖 14-7(b)所示,曲線不經過原點,在剪切應力 τ軸上的某處有交點,將曲線外延至=0,在 τ 軸上某一點可以屈服值(yield value)。當剪切應力達不到屈服值以上時,液體在剪切應力作用下不發生流動,而表現為彈性變形。當剪切應力增加至屈服值時,液體開始流動,剪切速率和剪切應力 τ 呈直線關系。液體的這種變形稱為塑性流動。引起液體流動的最低剪切應力為屈服值 τ0。

1.4.2.2 假塑性流動(假塑性流體)
假塑性流動(Pseudoplastic flow)的流動曲線和粘度曲線如圖 4 中的 2 號樣品所示。隨著剪切速率值的增大而粘度下降的流動稱為假塑性流動,具有這種性質的流體稱為假塑性流體或剪切稀化(shear thinning)型流體。

絕大多數粘彈性流體都屬于假塑性流體,如聚合物溶液、聚合物熔體、油漆、涂料等等,當原油在凝點以下,以及稠油都會表現出一定的假塑性。
1.4.2.3 脹性流動(脹塑性流體)
脹性流動曲線如圖 4 中的 3 號樣品所示,曲線經過原點,且隨著剪切應力的增大其粘性也隨之增大,雖然這種流體不如假塑性流體常見,然而脹塑性流體常可由存在有不會聚集固體的流體中看到,如泥漿、糖果合成物、玉米淀粉類與水的混合物以及沙/水混合物。此類流體的行為也可稱為剪切增稠(shear thickening)。
1.5 影響材料流變學性質的因素
粘度的數據通常具有“透視(window through)”的功能,材料的其余性質可以經由粘度獲得。由于粘度比其它性質更容易測量,因此粘度可以作為判別材料特性的工具。在這章的前半段,我們討論了不同型式的流變行為及判斷它們的方法,由材料流變性質的判定,你可能會想了解這些信息暗示了材料的哪些特性。
1.5.1 溫度
溫度可能影響材料流變性能的首要因素。一些材料對于溫度非常敏感,會造成粘度發生很大的變化;另外一些材料則對溫度具有較小的敏感性,粘度受溫度的影響較小。溫度效應對粘度的影響在材料使用及生產中是必須考慮的基本問題,此類材料如機油、油脂和熱融性粘合劑等。
1.5.2 剪切速率
對于非牛頓流體,剪切速率是影響樣品性能的最重要因素之一。例如若將剪切增稠性流體輸入泵送系統中,如果設計的技術性能不合適,那么就可能會造成系統的異常終止,甚至會損壞設備。雖然這是一個極端的例子,然而剪切速率對于生產系統的影響是不可忽視的。
當材料必須在不同的剪速下使用時,先了解操作剪速下的粘度行為是基本的,如果你不了解這些行為,至少需先做估計,粘度應該要在預估的剪切速率值與實際值相近下測量才有意義。
測量粘度時,若剪切速率的范圍在粘度計測量范圍以外時,就必須測量不同剪切速率下的粘度值,再以外推方式得到操作剪速下的粘度值。這雖然不是最精準的方法,但確是獲得粘度信息的唯一替代方法,特別是當欲實現的剪切速率特別高時。事實上,在多個不同剪切速率下進行粘度的測量,以觀察使用上的流變行為才是適當的。如果不知道樣品剪速值或剪速不重要時,以轉速作圖也是可以的。
材料在生產或使用上會受到剪速影響的例子有:油漆、化妝品、乳液、涂布、一些食品和血液等,下表為流體在不同剪速范圍下的典型例子:
狀況 |
典型的剪速范圍(s-1) |
應用 |
懸浮溶液中沉淀的微細粒子 |
10-6-10-4
|
藥品,油漆
|
表面張力造成的液面流平現象 |
10-2-10-1
|
油漆,印刷墨水
|
重力影響下的流掛現象 |
10-1-101
|
油漆,涂布,廁所的漂白劑 |
擠出機 |
100 -102
|
高分子加工 |
咀嚼和吞咽 |
101 -102
|
食物口感 |
浸入式涂布 |
101 -102
|
油漆,糖果制造 |
混合和攪拌 |
101 -103
|
流體產品的生產
|
管路輸送 |
100 -103
|
打氣,血液流動
|
噴霧和刷涂 |
103 -104
|
噴霧干燥,油漆,燃料霧化
|
摩擦 |
104 -105
|
乳脂的應用及化妝水在皮膚上的行為
|
在流體中研磨染料 |
103-105 |
油漆,印刷墨水
|
高速涂布 |
105-106 |
造紙
|
潤滑 |
103-107
|
石油工業
|
1.5.3 時間
在剪切的環境下,時間明顯地影響材料的觸變性質和流變性質,但是就算樣品不受剪力影響,其粘度仍會隨著時間而改變,因此在選擇與準備樣品作粘度測量時,時間的效應是必須考慮的,此外,當樣品在測試過程中產生化學反應時,材料的粘度也會有所變化,因此在反應過程中某一時間所測的粘度與另一時間所做的結果會有所不同。
1.5.4 壓力
壓力影響并不如其它因素般常見,但壓力的變化可能會造成:分解氣體產生氣泡、擴散或氣體的進入造成體積的改變和紊流現象、壓縮流體,增加分子內的阻力,亦即增加壓力會增加粘度。在高壓下,液體會受到壓力壓縮的影響,此現象與氣體相同,雖然程度上較小,如下述例子:高濃度的泥漿(粒子體積約占 70-80%以上),其中不含有足夠的液體,使液體不能完全進入粒子間的空隙中,導致了三相系的形成(即固體、液體和氣體)。由于氣體的存在,混合物可壓縮,亦即壓力越大,流動的阻力愈大。
1.5.5 前處理
在測量樣品粘度前,前處理可能會影響粘度測量的結果,特別是流體會受到熱或時間的影響,亦即樣品保存狀況和樣品準備技術必須設計將影響粘度效應的因素減至最低,特別是觸變性材料會受到準備工作的影響,如攪拌、混合、傾倒、或是其它可能使樣品產生剪切的動作。
1.5.6 組成和添加物
材料的組成是影響粘度的重要因素,當樣品組成發生改變后,不管是組成物質的比率或其它物質的添加,粘度的改變都是可能的。
(二)、流動特性的研究 - 旋轉測量
2.1 旋轉測量的目的
旋轉測試使用連續的旋轉來施加應變或應力,以得到恒定的剪切速率,在剪切流達到穩定時,測量由于流動形變產生的扭矩。因此,也稱為穩態測量。
2.2 旋轉測量的方法
旋轉測試有兩種方法,一種是控制剪切速率,即旋轉速度(或剪切速率)為設定參數,扭矩(或剪切應力)為測試參數;另一種方法時控制剪切應力,即扭矩(或剪切應力)為設定參數,旋轉速度(或剪切速率)為測試參數。
2.2.2 控制速率模式的常用測試方法:
(1)恒定剪切速率:測量樣品在某一個或幾個恒定剪切速率下的粘度、剪切應力,如 Shear rate=10 1/s,Time Profile = Fixed meas. pt. duration=5 s(固定時間), 溫度=25℃,測量點=20 個(可以任意多個)。
(2)線性變化的剪切速率:控制剪切速率在某一范圍內,按照線性規律逐漸改變剪切速率,可以有低到高,也可以由高到低,觀察樣品的粘度、剪切應力隨剪切速率變化的規律;如:剪切速率由 1 1/s 升高到 100 1/s,Profile = Ramp lin(線性規律變化),測量點為 20 個。
(3)對數變化的剪切速率:控制剪切速率在某一范圍內,按照對數規律逐漸改變剪切速率,可以有低到高,也可以由高到低,觀察樣品的粘度、剪切應力隨剪切速率變化的規律;如:剪切速率由 1 1/s 升高到 100 1/s,變化規律為 Profile = Ramp log 或 Ramp log + |points/decade|。
2.2.3 控制應力模式的常用測試方法:
(1)恒定剪切應力:測量樣品在某一個或幾個恒定剪切應力下的粘度、剪切速率,如 Shear stress=1 Pa,取點時間為 10s(或其他時間),每個應力下可以測量任意多個數據點。
(2)線性變化的剪切應力:控制剪切應力在某一范圍內,按照線性規律逐漸改變剪切速率,可以有低到高,也可以由高到低,觀察樣品的粘度、剪切速率隨剪切應力變化的規律;如: 剪切應力由 0.1 Pa 升高到 100 Pa,Profile = Ramp lin(線性規律變化),測量點為 20 個。
(3)對數變化的剪切應力:控制剪切應力在某一范圍內,按照對數規律逐漸改變剪切速率,可以有低到高,也可以由高到低,觀察樣品的粘度、剪切速率隨剪切應力變化的規律;如:剪切應力由 0.1 Pa 升高到 100 Pa,變化規律為 Profile = Ramp log 或 Ramp log + |points/decade|(對數規律+點數/數量級)。
2.3 旋轉測量中的幾種分析模型
旋轉測量后,可以用流變學模型(方程)對測量結果進行擬合,用于觀察此樣品的流變學特性是否與此模型相吻合,并計算出能夠表征此樣品流變學特點的關鍵參數,常用的方程有如下幾種。
2.3.1 Ostwald(或 Power Law)模型
此模型適用于沒有屈服應力的非牛頓流體,具體含義如下:
t = c ×y p
其中,τ 為剪切應力,c 為流動系數,p 為流動指數或冪律指數。P>1,剪切增稠;P=1,理想粘性流動;p<1,剪切變稀。
2.3.2 Bingham 模型
此模型適用于有一定屈服應力的流體,但在屈服應力以上時呈現牛頓流體特性:
t =tB+ηB .y
其中,t 為剪切應力,t B 為 Bingham 屈服應力,η B 為 Bingham 流動系數, y.為剪切速率;這種流體稱為塑性流體,其特點是當剪切應力小于t B 時,樣品只發生彈性形變,當剪切應力大于t B 時,其彈性結構被破壞,之后的流動遵循 Newton 粘度定律。
2.3.3 Herschel-Bulkley 模型
此模型適用于有一定屈服應力的非牛頓流體,具體含義如下:
t =t HB+c .y p
其中,t HB 是符合 HB 模型的屈服應力,c 為流動系數(或稱為 HB 粘度h HB ),p 為 HB指數;
p<1
|
假塑性(剪切變稀)
|
p>1
|
脹塑性(剪切增稠)
|
P=1
|
Bingham 流體
|

2.2.4 Carreau/Yasuda 模型
此模型適用于具有零剪切粘度的非牛頓流體的分析,可以計算出此樣品的零剪切粘度:

p1 為 Yasuda 指數,λ 為松弛時間,p 為冪律指數,P>1,剪切增稠;P=1,理想粘性流體;p<1,剪切變稀;η0:零剪切粘度;η∞:極限剪切粘度(由于 η∞相對于 η0 非常小,因此分析時經常把 η∞近似為零)。

(三). 變形特性的研究 – 振蕩測量
3.1 振蕩測量的原理
振蕩測試僅供空氣軸承的流變儀的用戶參考,如 安東帕流變儀MCR101、MCR301、MCR102、MCR302 以及更高型號,MCR51、MCR52 等機械軸承流變儀在測量高粘度樣品時,可以做相對振蕩測量!
3.1.1 平行板模型
振蕩測試也叫動態測試,主要是用來研究材料在交變外力或應變作用下的流變特性。 振蕩測試原理同樣基于平行板模型,見下圖:下板靜止不動,上板的面積是 A,在剪切應力 F的作用下發生位移 s,樣品的厚度 h(上下板間隙)不變,樣品在兩板之間受到以 s 為振幅的往復剪切。樣品與兩板之間的粘附良好,在測試中無壁滑移現象,同時樣品在兩板之間各處產生的變形是相同的。
因此,可以定義以下變量:t = F/A, y = s / h, g = t / y

3.1.2 工作原理及參數計算
上面曲線和方程即為控制應變模式下的施加變量信號方程和反饋響應信號方程,其中 ω 為角頻率,t 為時間。一般情況下,流變儀首先給樣品施加一個正弦波規律的應變(或應力),樣品會反饋一個正弦波規律的應力(或應變),兩個正弦波之間會有一個相位差 δ,δ 的大小介于 0°-90°之間,對于理想流體 δ 為 90°,對于理想固體 δ 為 0°,具有粘彈性的實際樣品,δ 在0°到 90°之間。
應力振幅和應變振幅的比值為復數模量:G*=τA/γA,再依據相位差 δ 可以把復數模量分解為儲能模量 G’和損耗模量 G”。
G '=|G *| cosδ
G " =|G *| sinδ
G’ [Pa]:儲能模量,彈性部分,形變能力中儲存的部分
G” [Pa]:損耗模量,粘性部分,形變能力中損失的部分
另外一個重要參數:tanδ [1] = G”/G’ ,稱為阻尼或損耗因子,表示粘性相對彈性部分的比值,意義如下:
Tanδ < 1, 即 G” < G’ :彈性占主要部分,為凝膠體
Tanδ > 1, 即 G” > G’ :粘性占主要部分,為流體
Tanδ = 1, 即 G” = G’ :粘性和彈性相等,為溶膠-凝膠轉變點
另外一個參數:復數粘度的絕對值等于復數模量與角頻率的比值。
3.1.3 線性粘彈性與非線性粘彈性
當對樣品施加的應變或應力在一定范圍內時,樣品的結構產生的是彈性形變,產生的形變能夠完全回復,結構沒有受到破壞,其應變、應力規律符合 3.1.2 中所描述的正弦波規律,此時樣品的響應為線性粘彈性響應,相對的應變或應力區間為線性粘彈區(LVE),線性粘彈區內的測量為線性粘彈性測量或小振幅振蕩測量(SAOS);當施加的應變或應力超出一定的范圍,樣品中產生了不可回復結構變化,那么此時樣品響應的應力或應變信號就不會再保持正弦波規律了,樣品的結構受到一定程度的破壞,此區域就是非線性粘彈區,針對的測量叫非線性粘彈性測量或大振幅振蕩測量(LAOS)。
3.2 振蕩測量的方法
3.2.1 振蕩測試中的控制變量
振蕩測量同樣有兩種控制模式,即應變控制模式(CSR)和應力控制模式(CSS),控制變量和響應變量如下:
|
應變控制模式(CSR)
|
應力控制模式(CSS)
|
施加變量方程
|
y(t )= y A .Sin t
|
t( t) = t A .Sin (wt + δ)
|
響應變量方程
|
t( t)= Sin t
|
y( t) = y A .Sin (wt + δ) |
從以上方程中,我們可以看出,其中的控制變量有三個,分別是應變、應力和頻率,下面就 CSR 和 CSS 兩個模式下的測量做進一步說明。
3.2.2 CSR 模式下的參數設置
(1)恒定應變、恒定頻率、恒定溫度測試:此測試的用途一般是對隨著時間變化,樣品本身會產生某些變化,如氧化、分解、聚合、凝膠等等,通過流變參數的變化,把樣品的變化過程反應出來,也稱等溫時間掃描測試(Time Sweep)。實驗結果一般是時間(x 軸)-模量 G’、G”曲線(y 軸)、時間-Tanδ 曲線。如設 Amplitude Settings = Strain = const. = 5%,Frequency Settings = Frequency = Const = 1Hz。

(2)應變掃描(振幅掃描)測試(線性變化 Lin 或對數變化 Log):以應變(振幅)為變量,一般應變是由小到大階梯式變化(常用 0.01% -100%),頻率恒定(常用 1Hz 或 10rad/s),測量結果為應變與模量 G’、G”的關系曲線,應變的變化規律推薦使用對數變化,如 Amplitude Settings = Strain = Ramp Log (或 Ramp log + |points/Decade|) = 0.01% - 100%,Frequency Settings = Frequency = const = 1Hz,Duration = No time setting(自動控制);

應變掃描可以得到的常用樣品信息如下:
* 樣品強度:即 G’、G”的絕對值大小,以及二者的相對大小,代表了樣品的狀態(膠體還是流體)、膠體強度(軟硬)。
* 線性粘彈區的確定:通過分析 G’平臺區的范圍,確定樣品在此條件(指溫度、頻率等)下的線性粘彈區范圍,為后面的測量提供參考數據。
* 流動點的測量:當線性區內 G’>G”時,在應變掃描的曲線上 G’、G”通常會有一個交點,此點即為流動點(Flow Point),在此點以上的應變或應力區域,樣品產生流動。
* 通過以上信息的對比,可以用于樣品穩定性、屈服應力、流動性等方面的比較。
(3)頻率掃描測試(線性變化 Lin 或對數變化 Log):以頻率為變量,一般頻率是由大到小階梯式變化(常用 100rad/s -0.1rad/s),應變恒定(在線性區內),測量結果為頻率(x 軸)與模量 G’、G”(y 軸)的關系曲線,頻率的變化規律推薦使用對數變化,如 Amplitude Settings = Strain = const = 1%,Frequency Settings = Frequency = Ramp Log (或 Ramp log + |points/Decade|)= 100rad/s ~ 0.1rad/s,Duration = No time setting(自動控制);

頻率掃描得到的是樣品性質與時間尺度的關系,高頻率代表的是樣品在受到短時間尺度(正弦波的振蕩周期短)應變或應力時的響應狀態;低頻率代表的是樣品在受到長時間尺度(正弦波的振蕩周期短)應變或應力時的響應狀態。對于非交聯的聚合物材料,通常會有高頻時G’>G”,即在很短的受力作用時間內,樣品不會產生流動,表現為膠體(固體)的狀態;低頻時 G’<G”, 即在較長的受力作用時間內,樣品會產生流動,表現為流體的狀態。此測試常會用
于:
* 聚合物加工時間的研究,與聚合物的加工速度有關,如擠出、注射等。
* 聚合物分子結構信息的研究,如松弛時間譜、分子量、分子量分布等。
3.2.3 CSS 模式下的參數設置
(1)恒定應力、恒定頻率測試:此測試的用途一般是對隨著時間變化,樣品本身會產生某些變化,如氧化、分解、聚合、凝膠等等,通過流變參數的變化,把樣品的變化過程反應出來,也稱等溫時間掃描測試(Time Sweep)。實驗結果一般是時間(x 軸)-模量 G’、G”曲線(y軸)、時間-Tanδ 曲線。如,Amplitude Settings = Shear stress = const. = 1Pa,Frequency Settings = Frequency = Const = 1Hz,Duration = Fixed Mea. Pt. duration(固定時間)=10s (或 1s 的整數倍,根據所需要的時間而定);
(2)應力掃描測試(線性變化 Lin 或對數變化 Log):以應力為變量,一般應變是由小到大階梯式變化(如 0.01Pa -100Pa),頻率恒定(常用 1Hz 或 10rad/s),測量結果為應力與模量G’、G”的關系曲線,應變的變化規律推薦使用對數變化,如 Amplitude Settings = Shear stress = Ramp lin(或 Ramp Log 或 Ramp log + |points/Decade|) = 0.01Pa – 10Pa,Frequency Settings = Frequency = const = 1Hz,Duration = No time setting(自動控制);
(3)頻率掃描測試(線性變化 Lin 或對數變化 Log):以頻率為變量,一般頻率是由大到小階梯式變化(常用 100rad/s -0.1rad/s),應力恒定(在線性區內),測量結果為頻率(x 軸)與模量 G’、G”(y 軸)的關系曲線,頻率的變化規律推薦使用對數變化。
3.3 振蕩測量中的幾種分析方法
3.3.1 線性粘彈區(LVE)的計算
通過對樣品進行應變掃描來確定樣品的線性粘彈區。可以用來確定線性粘彈區的變量有G’,G”,tanδ,在大多數情況下用 G’來確定材料的線性粘彈區,因為 G’最敏感,當應變超過線性粘彈區時,G’首先出現變化。
線性粘彈區的定義為:在測試開始時,G’和 G”是兩個恒定的值,假設定義 G’和開始測試時的恒定值的偏差為 5%(一般在 3%-10%之間)時為線性粘彈區的終點,那么認為小于這個偏差范圍的點就在線性粘彈區內,大于這個偏差范圍的值就在線性粘彈區范圍之外,等于 5%偏差范圍的點為線性粘彈區的終點。如下圖所示,τy所對應的點即為線性粘彈區的終點。
3.3.2 流動點(Flow Point)的計算
通過對樣品進行應變掃描可以確定樣品的流動點(前提條件是 G’>G”)。在線性粘彈區范圍內,樣品為凝膠狀態;隨著振幅逐漸增大,G’、G”出現交點,隨后 G”>G’,樣品表現出流動態。因此,G’、G”的交點,即 G’=G”的點,稱為流動點。如上圖所示,τf 所對應的點即為流動點。
3.3.3 Carreau/Yasuda 模型計算零剪切粘度
對于非交聯聚合物熔體或濃溶液,在頻率掃描中,低頻率區的復數粘度會出現一個平臺區,當頻率(剪切速率)低于一定程度后,粘度趨于一個恒定值,這個值就是樣品的零剪切粘度,通過 Carreau/Yasuda 模型可以計算此零剪切粘度的值。
如圖所示:

(四). 化學反應過程中的流變測試
當需要用流變學研究某一化學反應過程時,常用時間掃描或溫度掃描(下節詳述)進行測試,最常見的應用是熱固性聚合物(如環氧樹脂、聚酰亞胺等)的固化過程、凝膠反應過程、UV 固化反應過程、氧化分解過程等等。
常用方法:
(1)穩態剪切測試:在恒定的剪切速率下,通過粘度或應力隨時間的變化表現樣品的變化過程,此方法的限制在于無法測試到樣品固化的狀態,反應到一定程度,就要結束測試,可能無法表現反應的整個過程,并且需要考慮剪切對樣品的反應是否會產生影響。

(2)動態振蕩測試:在恒定的應變(應力)、頻率條件下,通過模量 G’、G”隨時間的變化描述樣品的變化過程。此方法的優點正好彌補了剪切模式的缺點,即可以實現從反應初始到反應結束的整個過程(從液體到固體),并且小角度振蕩不會影響樣品的反應過程。
如下圖所示,是一個樣品的時間掃描曲線。在測試開始的時候,G”>G’,樣品表現為流體特征,即溶膠狀態;隨著測試的進行,到達時間 tCR,tCR 表示固化過程(凝膠過程)開始發生的時間,從這一點開始,G’、G”都隨著時間的增加而迅速變大;當達到 tSG 點時,G’=G”、tanδ=1,這個點叫做溶膠凝膠轉變點;過了 tSG 點,G’>G”,樣品表現出凝膠的狀態;測試進行到最后,G’、G”都趨近于恒定的值,固化過程(凝膠過程)基本完成。
(五). 溫度變化過程中的流變測試
溫度是影響材料流變學性能的首要因素,因此研究溫度對材料性能的影響是非常重要的一個研究目的。按照材料性能和研究目的的不同,大致有以下幾種情況。
(1)在研究溫度范圍內沒有相變和化學反應,只研究溫度對樣品機械性能、熱力學性能的影響;
(2)在研究溫度范圍內只有物理相變,沒有化學反應,如熔融、凝固、結晶等過程;
(3)在研究溫度范圍內不僅有物理相變,也有化學反應發生,如固化、化學凝膠、氧化分解等;
5.1 粘溫曲線測量
粘溫曲線是工業生產、研發中最常用的測試之一,是表現溫度對樣品流變學性能影響的最簡單方法。可以進行升溫測試或降溫測試,以溫度 T 為 X 軸,粘度 η 為 Y 軸。升降溫速度一般在 0.5 – 5℃/min,樣品量比較多時,升降溫速度就要慢一些,以降低樣品溫度的滯后程度。
5.2 凝固、熔融過程
當在測試過程中樣品存在液、固相之間的轉變時,首選振蕩測量模式,不僅比旋轉測更精確,而且不會影響相轉變過程。在測試過程中無化學反應發生,所以在反應過程中主要是軟化和熔融過程(升溫過程),或者凝固和結晶(降溫過程)。這主要是為了研究溫度對于材料物理結構的影響,或者其結構的改變,這類研究主要是在材料的線性粘彈區范圍內進行的。
5.3 有化學反應的相轉變過程
與第 4 節中的類似,在測試過程中,樣品隨著溫度的變化發生化學反應,導致樣品發生相態改變。通過溫度掃描曲線可以確定如下變量:
1:G’或 G”最小值的溫度,或者 tanδ 最大值的溫度,或者最小復合粘度出現的溫度,如TCR,即開始發生化學反應的溫度。
2:如果可能的話可以得到 G’=G”的點,即溶膠凝膠轉變點的溫度。
3:在固化結束之后 G’,G”的數值,可以用來評價最終的樣品狀態。
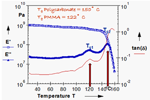
5.4 DMTA 測量
利用流變儀的特殊夾具,如固體扭擺夾具 SRF、多用拉伸夾具 UXF,可以對固體樣品進行 DMTA(Dynamic mechanical thermoanalysis)- 動態機械熱分析測試,流變儀中可以進行的 DMTA 測試有兩種:
(1)強迫扭擺振蕩測量:使用 SRF 夾具對矩形或圓柱形樣品進行強迫扭擺測試,使用復合模量 G*、儲能模量 G’、損耗模量 G”、損耗因子 tanδ 等參數進行表征。

(2)動態拉伸測量:使用 UXF 夾具對薄膜或纖維樣品進行動態拉伸測試,可以得到復合楊氏模量 E*、楊氏儲能模量 E’、楊氏損耗模量 E”、損耗因子 tanδ=E”/E’等。

DMTA 測試主要用于測量固體的熱機械性能,通過以上測試可以分析樣品的玻璃化轉變溫度 Tg、熔融溫度 Tm、次級轉變等。
(六). 流變測量指南
當您有一個樣品需要做流變學測試,而對這個樣品的性能又不太了解,那么該從何著手呢?
為了幫助流變儀的初學者,本文給出一些建議:討論了一些典型的實驗設置方法、流變學評價方法和分析曲線。這些內容適合于大多數材料的流變學測試和研究,但由于各行各業所用的材料紛繁復雜,因此使用者必須在細節上做一些調整以獲得更有實際價值的數據。
6.1 測試系統的選擇
a) 同心圓筒(CC):用于粘度非常低或容易揮發變干的樣品。
b) 平行板(PP):用于含有尺寸大于 5μm 顆粒的樣品、粘度很高的樣品或粘彈性非常強的樣品(如聚合物熔體)
c) 錐板(CP):用于其它所有樣品
6.2 旋轉測試
6.2.1 流動和粘度曲線
首先,可以對樣品做一個初步的檢測,以初步確定樣品屬于哪種類型的流體,使用流動曲線擬合和分析模型,確定流動曲線函數。剪切速率可以設為 1 到 500S-1。共有下列幾種流動曲線類型:
(1)理想粘性流體(牛頓流體)
(2)剪切變稀流體(假塑性流體)
(3)剪切增稠流體
(4)沒有屈服值的流體
(5)有屈服值的流體
6.2.2 有屈服值的樣品,需進行屈服值的分析和測量,方法有:
(1)直接應力掃描:設置條件:剪切應力掃描(CSS,對數坐標):當使用機械軸承的流變儀時,扭矩設置范圍:M=0.5 ~ 5mNm,當使用空氣軸承的流變儀時,扭矩設置范圍:M=0.5μNm ~ 5mNm。

(2)模型擬合:利用流動曲線,采用 Bingham,Casson,Herschel/Bulkley 等模型擬合,計算屈服應力。
6.2.3 時間依賴性
設置條件:恒定剪切速率(CSR),當使用機械軸承的流變儀時,剪切速率=1S-1;當使用空氣軸承的流變儀時, 剪切速率=0.1S-1;
結果:時間依賴性粘度函數:
(1) 粘度恒定不變;
(2) 粘度降低,如由時間依賴性的剪切變稀、剪切生熱等原因造成的;
(3) 粘度增加,如由硬化、凝膠、固化、干燥等原因造成的;
備注:對于時間依賴性的測試,應優先選擇振蕩測試,因為振蕩測試可以獲得更多有用的信息。
6.2.4 3ITT-結構破壞和恢復(觸變性)測試
設置條件:使用機械軸承流變儀時,三個測量段的剪切速率分別設為:1/100/1S-1;使用
空氣軸承流變儀時,三個測量段的剪切速率分別設為:0.1/100/0.1S-1

結果和分析方法:
M1 “觸變值”:時間點 t2 和 t3 之間的粘度變化(?η);
M2 “總觸變時間”:從 t2 到完全恢復(恢復到第一階段參考值的 100%)所需時間;
M3 “觸變時間”:從 t2 到部分恢復(恢復到第一階段參考值的一定比例,如 75%等)所需時間;
M4:從 t2 開始到第三階段的某一時間點(如 60 秒或用戶定義的其它時間)時,粘度恢復的比例;
6.2.5 溫度依賴性
設置條件:溫度程序(如按程序升溫或降溫),同時設置為恒定的剪切速率(CSR):1S-1(機械軸承流變儀)或 0.1S-1(空氣軸承流變儀)。
6.3 振蕩實驗
6.3.1 振幅掃描
設置條件:應變階梯變化(對數規律):γ=0.01 ~ 100%,角頻率 ω=10rad/s;
結果和分析:
1)線性粘彈區(LVE)的邊界;
2)在 LVE 范圍內的粘彈性表征,需要關注的問題是:是 G'>G''(有凝膠特征,為粘彈性的固體),還是 G'' > G'(流體特征,為粘彈性液體)?
3)如果測試結果中 G'>G'',那么可以把 LVE 范圍內的 G'值作為“凝膠強度”。
4)材料開始流動時,流動應力的值(例如在 G'= G''時,這個交叉點的 值)。
5)屈服區:在屈服應力 y 和流動應力 f 之間的區域,此時 G'>G'',樣品仍顯示凝膠特征(但只有部分形變是可恢復的)。
6.3.2 頻率掃描
設置條件:頻率掃描(CSD,對數分布),如 ω=100 ~ 0.1rad/s,應變 γ=1%(需采用 LVE范圍內的應變,可從振幅掃描實驗中獲得);
6.3.3 時間依賴性(振蕩模式)
設置條件:恒定形變(CSD)、恒定頻率,如頻率 ω=10rad/s,應變 γ=1%(需采用 LVE 范圍內的應變,可從振幅掃描實驗中獲得);
6.3.4 3ITT 階梯測試(振蕩模式):結構破壞和恢復(觸變性)
設置條件:
a)三段測試:振蕩/旋轉/振蕩
1)測量段 1:振蕩模式,恒定應變和頻率,如頻率 ω=10rad/s、應變 γ=1%(LVE 范圍內取值);
2)測量段 2:旋轉模式,剪切速率 =100S-1;
3)測量段 3:振蕩模式,和測量段 1 條件相同;
b)三段測試:全部采用振蕩模式
1)測量段 1:振蕩模式,恒定應變和頻率,如頻率 ω=10rad/s、應變 γ=1%(LVE 范圍內取值);
2)測量段 2:振蕩模式,恒定應變和頻率,如頻率 ω=10rad/s、應變 γ=100%(LVE 之外取值);
3)測量段 3:振蕩模式,和測量段 1 條件相同。

結果和分析方法:
M1)“觸變值”:在 t2 到 t3 之間 G'的變化;
M2)“總觸變時間”:從 t2 到完全恢復的時間,如 100%恢復到測量段 1 的 G'參考值;
M3)“觸變時間”:從 t2 到恢復一定比例所需要的時間,如測量段 1 中 G'參考值的 75%;
M4)“觸變時間”:,從 t2 到恢復至 G'= G''所需要的時間;
M5)“恢復百分比”:在測量段 3 的某個時間點恢復的比例(如 60 秒或其他時間)。
6.3.5 溫度依賴的粘彈行為(振蕩模式)
設置條件:程序溫度,如階梯式升溫或降溫;恒定的應變和頻率,如頻率 ω=10rad/s,應變γ=1%(在 LVE 范圍內取值)
二、流變儀基礎知識
(一). 流變儀的工作原理
1.1 旋轉流變儀的種類:
CMT(馬達與傳感器一體式結構):應力控制型流變儀,Searle 原理(外筒固定,內筒旋轉)
SMT(馬達與傳感器分離式結構):應變控制型流變儀,Couette 原理(外筒旋轉,內筒固定)
新型全模式流變儀:TwinDrive 流變儀,具有兩套測量頭的特殊流變儀,同時具備 CMT、SMT測量模式,并具有新的 Counter Rotation 模式,即內筒和外筒同時反向旋轉,目前只有MCR702 可以實現,是目前最先進的流變儀。
1.2 MCR 旋轉流變儀基本結構:
僅從流變測量的角度來看,流變儀在測量過程中無外乎要為我們提供樣品幾個方面的數據和功能:
(1)力學數據:流變學參數中的剪切應力;
(2)運動和位移數據:流變學參數中的剪切速率、應變;
(3)溫度控制:基本測量條件;
(4)數據采集和分析計算;其中,(1)和(2)方面的數據都是由測量頭部分提供的,測量頭由EC馬達、光學編碼器、空氣軸承、法向力傳感器等幾部分組成。

1.2.1 電子整流直流同步馬達
作用:施加和測量應力
原理:轉子由永磁材料制造,定子施加直流電場,電場與磁場相互作用產生扭矩,扭矩大小與電流成線性關系;
M=K·I
其中,M 為馬達產生的電磁扭矩,K 為馬達系數,I 為線圈的電流強度。由于電磁扭矩和轉動方向相同,所產生的剪切應力。
t= K css · M (Kcss =轉子剪切應力系數)
1.2.2 線性光學編碼器
LED 光源發出的光線經聚光后,穿過光柵,然后被接收器接收;其中光柵與馬達主軸相連,當馬達發生轉動時,光柵產生同步位移,由接收器就可以讀取光柵的位移數據;由于光柵的精度非常高,可以解析到達納弧度(nrad)級別的角度位移,從而可以精確計算應變和剪切速率。
1.2.3 空氣軸承
空氣軸承技術確保樣品測試過程中無機械摩擦,從而確保了超低偏差,即使高剪切和高頻大應變振蕩測試,也可確保粘度和模量的準確性。流變儀中的流變學參數與儀器各部件的關系如下:
(二). 流變儀常用夾具
2.1 旋轉流變儀使用的測試夾具分類:
1)按種類分類:同軸圓筒、雙間隙、平行板、錐平板、ME、槳式
2)按表面分類:標準(光滑表面)、噴砂、刻槽、花紋
3)按材質分類:不銹鋼(標準)、鈦合金、哈氏合金、玻璃、PC、石英
2.2 常用標準測試夾具
常用測試夾具包括同軸圓筒、錐-板、平行平板、雙間隙,這些夾具的設計符合 ISO3219、DIN53019、DIN54453 標準。
2.2.1 同軸圓筒夾具
圓筒式測試系統主要適合中低粘度樣品的測試,對于低于 10mPas 的溶液,比如牛奶、飲料、高分子稀溶液等,建議使用雙間隙系統。
測量原理:
CMT 流變儀:轉子以一定的速度旋轉,外圓筒靜止,為 Searle 原理。轉動著的轉子拖動環形空間內的液體產生層流流動,剪切面為同心圓柱面,剪切線為剪切面上垂直軸線的圓,液體微元的跡線與剪切線重合。
SMT 流變儀:轉子靜止,外圓筒旋轉,為 Couette 原理。
圓筒如右圖所示,進行同軸測試需要滿足條件:
1) L/(Ra-R1)>>1,同時 Ra/R1<1.2,標準:ISO3219
2)保持穩態層流
3)液體內部溫度恒定
4)樣品為均質流體
5)不產生壁滑移
計算公式:t=M/2πR12(Ra-R1)
y=R1n/(Ra-R1)
與常用旋轉粘度計不同,上述限定條件是由于計算上的需要,如不滿足上述條件,測試不同類型的流體時則會產生實際粘度偏差。比如使用燒杯測量牛頓流體是準確的,測量非牛頓流體則會出現偏差,這是因為在相同轉速下,兩種情況下的剪切速率是不同的。
2.2.2 雙間隙測量系統
對于超低粘度液體,可采用雙間隙系統,如右圖所示,剪切面積大,做高剪切測試不易產生湍流,符合標準:DIN54453。粘度小于
10mPas 的樣品,建議使用雙間隙測量系統。
2.2.3 錐-板測量夾具
錐-板夾具是以測量非牛頓流體流變性為目的而設計的一種測量系統。如圖:圓錐軸與平板垂直安裝,錐板之間的夾角很小。
滿足條件:
1) α 足夠小, sin tan a» a» a
2) 無壁滑移
3) 不產生次級流動
4) 無邊緣效應
5) 顆粒直徑小于間隙的十分之一
計算公式: t= 3M /2π R3 y = Ω / α
2.2.4 平行平板夾具
在這種夾具中,流體在兩個半徑為 R 的平行圓板間被剪切。兩板繞其共同軸旋轉,通常一個板固定,另一個板旋轉。
計算公式:對于非牛頓流體: t= M /2πR3(3+d In M/d In y) y=RΩ/H
對于牛頓流體:dlnM /dln y=1, t = 2M / πR3
2.3 測試夾具的選擇
實際測試中,需要就具體應用各個方面進行考慮,選擇正確的夾具才能得到好的結果,需要考慮的因素有:
1)粘度范圍
2)剪切速率范圍
3)剪切速率變化方式
4)溫度范圍
5)樣品是否會產生壁滑移:如有可以選擇噴砂或刻痕夾具
6)樣品中是否含有固體顆粒,顆粒尺寸范圍
7)加樣方式:錐板、平板對加樣量比較敏感,圓筒敏感度較低
9)清理難度和清理方法:錐板、平板更容易清理
10)樣品量:錐平板樣品用量小,圓筒用量大
11)樣品是否容易揮發:錐平板揮發影響大,圓筒揮發影響小
各種夾具的應用情況和使用范圍大致總結如下(參考范圍,并不是絕對的):
轉子的測量范圍既與轉子的大小、形狀有關,也與流變儀主機的扭矩范圍有關,同時還與需要達到的剪切速率、應變等條件有關,所以每個轉子的測量范圍由這幾個方面決定,都必須考慮,流變儀軟件中可以計算轉子的理論測量范圍,結果實例如下,在 MCR102 流變儀上,
CP25-2 和 CP50-1 轉子的測量范圍,可以得到粘度范圍(Y 軸)、剪切速率范圍(X 軸)。
(三). 流變儀常用控溫系統
控溫系統是旋轉流變儀中最重要的部件之一,必須針對樣品測試所需要的溫度范圍選擇合適的控溫系統,既要考慮溫度范圍,也要考慮所需的測試夾具種類、升降溫速度、樣品特性(如是否易揮發等),MCR 流變儀中提供了多種多樣的控溫系統,從原理上主要有液體循環控
溫、Peltier 控溫、電加熱控溫和強制對流控溫四種。
下面以客戶所需測試的溫度分別介紹幾種最常用的控溫系統:
3.1. 溫度范圍在-50~220℃內的 Peltier 控溫系統
3.1.1 同軸圓筒 Peltier 控溫系統:C-PTD200
適用于 CC27、DG26.7、CC17、CC10、ST24 等同軸圓筒、雙間隙和槳葉式測試夾具。
3.1.2 錐平板 Peltier 控溫系統:P-PTD200、H-PTD200
適用于 PP25、PP50、CP25-2、CP50-1、CP60-1 等平板、錐板測試夾具。
當使用 P-PTD200 下加熱板和 H-PTD200 加熱罩共同控溫時,可以得到均勻的溫度、并且可以在加熱罩內通入各種氣體進行氣氛保護。
3.2 溫度范圍在-150~450℃內的電加熱控溫系統
4 C-ETD300:適用于 CC27、CC17、CC10、ST24 等同軸圓筒、雙間隙和槳葉式測試夾具。
4 P-ETD400、H-ETD400:適用于 PP25、PP50、CP25-2、CP50-1、CP60-1 等平板、錐板測試夾具。
3.3 強制對流輻射控溫系統
適用測量夾具:PP25、PP50、CP25-2、CP50-1 等平板、錐板測試夾具,SRF 固體扭擺測試
夾具、UXF 多功能拉伸測試夾具、SER 熔體拉伸夾具、可拋棄平板夾具、同軸圓筒夾具、摩擦學夾具、介電夾具、UV 固化附件等。
CTD180:Peltier 控溫,制冷無需液氮,溫度范圍:-20℃ - 180℃
CTD620:電加熱,制冷需液氮,溫度范圍:-130℃ - 620℃
CTD1000:電加熱,制冷需液氮,溫度范圍:-100℃ - 1000℃
另外,客戶在使用控溫系統時,請務必參閱隨機配備的溫控系統說明,以 CTD620 為例:連接循環水、氣路和電路。

若使用液氮,連接好液氮管路和液氮蒸發單元。
(四). 流變儀安裝的條件要求
4.1 環境要求
儀器應放置在一個干凈、穩固、無震動的實驗臺上,遠離空調出風口,并且需要達到下面的環境條件:溫度范圍: 15 °C ~ 35 °C (操作溫度);推薦溫度: 23 °C ± 3 °C;濕 度: 20% ~60%無冷凝;如果連接有合適的空氣,濕度可到 80 % (無冷凝)
4.2 電源
設備連接的電源需要符合以下標準:電壓: 100 ~ 240 V 交流;頻率: 50 ~ 60 Hz; 電源接口數量和功率消耗:
部件 |
電源接口數量 |
功率消耗 |
MCR流變儀主機 |
1 |
850W |
電腦顯示器和打印機 |
3 |
750W |
水浴(連Peltier控溫) |
1 |
1000W |
若配置CTD600或CTD10000:控制箱和冷卻器 |
2 |
750W/250W |
無油空氣壓縮機 |
1 |
1100W |
其他 |
q請接洽公司 |
4.3 安裝空間的布置:
4.3.1 空氣軸承流變儀:MCR102、MCR302 等

空氣壓縮機DA5002C 長前后長度約1米、左右寬度約80cm,具有一定的噪音,有條件的實驗室可以把空氣壓縮機與流變儀分開放置。
水浴放置靠近流變儀一米以內的桌下或側面,高度為60公分,準備6L去離子水或其他液體作為循環介質,如需制冷到0℃以下,請準備無水乙醇或防凍液;
實驗桌:堅固穩重,最好采用大理石桌面;
對于需要進行氮氣保護的測試,須配備氮氣鋼瓶。
4.3.2 機械軸承流變儀:MCR52

4.4. 氣源 (空氣軸承流變儀)
空氣軸承需要提供潔凈、干燥和無油的空氣,推薦壓力為 5bar(最大 10bar),氣源設備必須滿足 ISO8573.1 中 1.2.1 節的要求。
雜質尺寸: 最大 0.1 μm
高壓露點: -15 ºC
含 油 量: 0.01 mg/m3
4.4.1 氣體消耗量:
MCR 主機: 10 LN/min air 或 N2 gas;
CTD620 高溫爐加熱:14 LN /h air 或 N2 gas;
CTD620 高溫爐冷卻:20 LN /min air 或 N2 gas;
4.4.2 若使用中央氣源供氣
壓縮空氣入口:從中央氣源出口需安裝調壓閥,出口壓力 5-8 巴,接頭為 8 毫米快插接頭。
(五). 流變儀可以擴展的功能模塊 – 組合流變測量技術簡介
如今,旋轉流變儀已經超出了其自身簡單流變學測量的范疇,通過與其他測量方法的結合,可以達到許多新穎的功能、滿足了各種特殊應用的迫切要求,是流變儀的功能和應用范疇得到了很大的拓展,同時崔進了科學研究手段的進步。
目前可以實現的組合測量技術可以概括為以下三類:
5.1 通過改變樣品的受力方式、運動方式而拓展的附加測試功能
流變儀中標準的受力方式為剪切力和層流運動,通過特殊夾具的設計,可以把馬達的旋轉
運動改變為樣品的扭擺運動、拉伸運動,以及為特殊類型樣品而設計的測量方式。如:
Ø 測量固體矩形條狀、圓柱狀樣品的扭擺 DMTA 測試附件
Ø 測量薄膜、纖維樣品的動態拉伸 DMTA 測試附件
Ø 針對彈性體、高彈態熔體聚合物樣品的拉伸測試附件
Ø 針對表面活性劑、食品樣品的界面流變學測試附件
Ø 針對淀粉糊化的常壓、高壓糊化測試附件
Ø 針對大顆粒懸浮體系的圓球測試、建筑材料測試附件
Ø 針對潤滑材料、食品、生物材料設計的摩擦學測試附件
5.2 把流變測試與結構分析方法相結合的附件
流變儀通過流變學數據表現的是樣品的宏觀力學性質,而我們知道宏觀現象必有其微觀原因,因此把結構研究的方法(如光學方法、電學方法)與流變測試結合到一起,就構成了一類結構分析與流變測試同步進行的研究附件。
Ø 與顯微鏡相結合的顯微可視流變測量附件
Ø 與小角激光散射 SALS 相結合的光散射-流變同步測量附件
Ø 流動雙折射和二向色性測量附件
Ø 與 X 射線或中子射線相結合的光散射-流變同步測量附件
Ø PIV 粒子成像測速附件
Ø 與介電譜測量相結合的同步測量附件
5.3 在溫度、剪切條件的基礎上再增加其他影響因素的測試附件
在標準流變測試時,我們要控制的條件只有樣品溫度、剪切速率或剪切力、形變、頻率等力學因素,而許多樣品在實際應用時,還有其他不同的外界因素會對樣品的流變性能產生影響,比如光、電、磁、壓力等等,下面這些就是針對這一類應用而設計的附件。
Ø 對樣品施加不用壓力的耐壓測試附件:如 15MPa、40MPa、100MPa 高壓測試系統
Ø 對樣品施加電場的電流變附件
Ø 對樣品施加磁場的磁流變附件
Ø 對樣品施加 UV 輻射的附件
流變儀在不斷發展,隨著技術的進步、新的應用要求的提出,還將有更多的附件被開發出來,流變儀的應用空間也會越來越廣闊。